안녕하세요?
이번 포스팅에서는 지난주 수요일에 있었던 수업의 내용으로, 먼저 CiMon을 이용해서 정회전, 역회전을 할 수 있는 모터가 스톱 스위치를 눌러야만 동작을 할 수 있는 조작 패널을 만드는 것을 실습해 보았습니다. 그리고 오후에는 처음에는 잘 몰랐는데, 단상모터의 정.역회전 회로를 결선하는 작업을 추가로 시작 하였습니다.
CiMon에서는 언제나 그렇듯이 새로운 프로젝트를 생성 하도록 합니다.
그리고 여기서 사소하지만 중요한 것을 하나 소개할까 합니다. 일단 위 스크린샷처럼 화면에 맞게라는 것을 체크박스 해 두면, 아래와 같은 화면이 CiMonX에서 뜨게 됩니다.
CiMonX상에서 화면에 꽉 차도록 모든 화면의 내용이 다 맞추어 져서 나오는 것을 볼 수 있습니다.
이제 화면에 맞게라는 체크박스를 해제 하도록 합니다.
이렇게 하면 원래 디자인을 한 대로 작은 사이즈로 그대로 나오는 것을 확인할 수 있습니다. 이게 사소할 수도 있지만, CiMonD에서 디자인 했는 패널을 초대형 모니터에 띄웠는데, 화면에 맞게가 해제되어 있으면 정말로 조그만하게 나올 수 있습니다.
다음으로는 정회전으로 가정을 한 버튼을 만들어 놓고나서, 다음으로는 P4라는 태그를 0에서 1로 이 스위치를 누르면 값이 변경되도록 만들어 주도록 합니다.
다음으로는 터치 동작 조건이라는 것을 설정해서, 정지 버튼과 역회전이 전혀 움직이지 않을 때만 건드릴 수 있도록 만들어 주도록 합니다.
다음은 정지를 위한 태그인 P6를 토글 스위치로 만들어 주도록 합니다.
여기서는 버튼을 누를 때 마다 버튼의 모양이 달라지도록 지정을 하도록 합니다.
다음으로는 P3 태그라고 해서, 회로 전체에 과부하가 걸렸을 경우 입력되는 신호가 있습니다. 이 신호가 들어오게 되면, CiMonX 화면에서 경고창이 뜨도록 만들어 주도록 합니다. 그리고 현장에서 작업자가 조취를 취한 다음에 경고창의 확인 버튼을 누르고 나서, 정지 버튼을 눌러야만 정/역회전이 가능하도록 만들어야 합니다.
일단 여기서는 CiMon상에서 가상으로 작동하는 것이기 때문에, 하는 수 없이 일단 경보를 울리기 위한 버튼을 만들어 보도록 합니다.
그리고 일차적으로 CiMonD에서 제대로 디자인을 했는 모습입니다.
CiMonX에서 제대로 경보가 작동하는 것을 확인할 수 있었습니다.
이제 경보로 만들기 위해서 경보 태그로 지정을 하도록 합니다.
경보가 발생하면 경고창을 띄우도록 합니다.
경보 해제란 항목에서도 무언가 제대로 된 메세지가 나오도록 만들어 주도록 합니다.
CiMonX에서 제대로 된 경고창이 나오는 것을 볼 수 있었습니다.
이제 경고창의 확인 버튼을 만드는 단계입니다. 확인을 했으면 경고를 울린 태그를 0으로 만들고, 경고창을 닫도록 합니다.
다음으로는 정지 버튼을 오로지 경고 태그가 0일 때만 누를 수 있도록 해 줍니다.
그리고 경고의 태그값이 변경이 되면, 태그 동작을 지정 하도록 합니다.
다음으로는 P3의 값이 변경이 되면-즉 경고가 울리면 가동중이던 모터가 정지가 되도록 설정을 하도록 합니다.
다음으로는 작동 버튼도 이래저래 제약 조건을 더 만들어 주도록 합니다.
일차적으로 완성이 되는 것을 보기는 봤습니다. 그런데 정지 버튼이 조금 마음에 안 드는 상황입니다.
그래서 이번에는 램프 설정을 아예 꺼서 누를 때만 모양이 바꾸도록 합니다.
다음으로는 버튼을 토글에서 누를 때만 값이 변경이 되도록 만들어 줍니다.
그래서 완성이 되기는 되었습니다. 그런데 여기서 한가지 문제가 생겼습니다. P4와 P5는 각각 정회전과 역회전 라인에 이상이 나오는 것을 감지하는 입력신호입니다. 그래서 그에 맞게 CiMon에서 했는 작업을 수정 하도록 합니다.
수정이 끝났으면, 이제 정회전과 역회전 라인의 이상이 나왔을 경우 띄우는 알람창을 만들도록 합니다.
다음으로는 역회전시에 띄우는 경고창을 만들도록 합니다.
그리고 경보태그로 지정해서 경보가 발생하면 해당하는 알람창이 뜨도록 만들어 줍니다.
이래저래 경보에 대한 것을 설정 하도록 합니다.
그렇게 일련의 태그를 생성 하도록 합니다.
다음으로는 경보가 울리는 경고등 밝히는 용도로 P25라는 태그를 만들어 주도록 합니다.
그리고 P3에는 스크립트를 실행시키도록 태그 동작을 지정하도록 합니다.
스크립트의 내용은 그럭저럭 간단한 편이기는 합니다. 그냥 P25를 일정 간격으로 ON/OFF시키기만 하는 것이기 때문입니다.
그렇게 해서 확인 버튼을 누르게 되면 페이지를 닫으면서도 경고등은 끄도록 스크립트를 정지 시킵니다.
그리고 경고등이 켜지는 채로 나와도 곤란하기에, 하는 수 없이 P25=0라고 만들어 주도록 합니다.
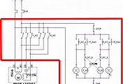
마지막으로 수요일 수업의 오후 수업중에 겨우 깨달은 것인데, 우선 위 스크린샷이 바로 단상모터의 정/역 회전 연결회로인데, 여기서 빨간색 박스 안에 나와 있는 부분은 바로 릴레이의 A접점이라고 합니다. 이를 고려해서 전선을 연결해야 했습니다.
'PLC 자동제어 학습 > LS산전 PLC 수업' 카테고리의 다른 글
| 단상유도 전동기의 정/역회전 회로 결선 및 각종 에러 조건 구현 (0) | 2017.12.26 |
|---|---|
| 계속해서 이어지는 시퀀스 회로 연결과 PLC와 CiMon관련 실습 (0) | 2017.12.25 |
| LS산전 PLC를 가지고서 했는 몇가지 과제 실습과, 실제 연결 (2) | 2017.12.21 |
| LS산전 PLC를 가지고서 하는 타이머 수업 (0) | 2017.12.18 |
| LS산전 PLC로 2인 교대 작업의 구현 (2) | 2017.12.17 |